■ 产品概述
进线电抗器可被用于给线路电源提供改进的过载保护,并能减小变频器产生的电流谐波失真。提高输入电源的功率因素,减少高次谐波,抑制变频器在电源设备上的浪涌。
■ 产品应用
■ 技术规格
■ 执行标准
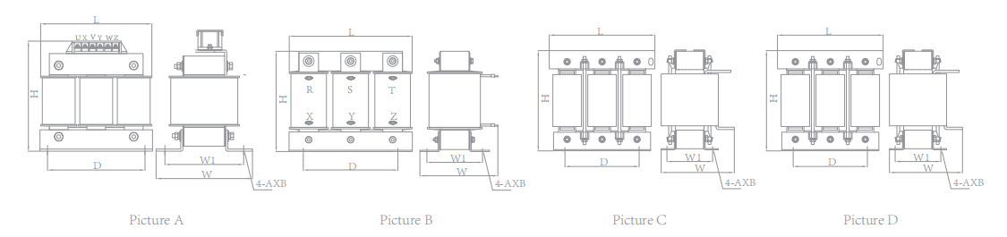
■ 产品尺寸图

■ 380V输入电抗器
| 电抗器型号 | 图号 |
适配功率 (KW) |
额定电流 (A) |
电感量 (mH) |
压降 (%) |
绝缘 等级 |
尺寸 L±5 |
D | W | W1 | H | A*B |
| ACR-0005-1M40-0.4SC | 图A | 1.5 | 5 | 1.4 | 1 | F、H | 110 | 90 | 95 | 70 | 130 | 6*11 |
| ACR-0007-1M00-0.4SC | 图A | 2.2 | 7 | 1 | 1 | F、H | 110 | 90 | 95 | 70 | 130 | 6*11 |
| ACR-0010-0M70-0.4SC | 图A | 3.7 | 10 | 0.7 | 1 | F、H | 110 | 90 | 95 | 70 | 130 | 6*11 |
| ACR-0015-0M47-0.4SC | 图A | 5.5 | 15 | 0.47 | 1 | F、H | 110 | 90 | 95 | 70 | 130 | 6*11 |
| ACR-0200-0M35-0.4SC | 图A | 7.5 | 20 | 0.35 | 1 | F、H | 110 | 90 | 95 | 70 | 130 | 6**11 |
| ACR-0030-0M23-0.4SC | 图B | 11 | 30 | 0.23 | 1 | F、H | 155 | 95 | 90 | 73 | 150 | 6*15 |
| ACR-0040-0M18-0.4SC | 图B | 15 | 40 | 0.18 | 1 | F、H | 155 | 95 | 130 | 76 | 135 | 6*15 |
| ACR-0050-0M14-0.4SC | 图B | 18.5 | 50 | 0.14 | 1 | F、H | 155 | 95 | 140 | 76 | 135 | 6*15 |
| ACR-0060-0M12-0.4SC | 图B | 22 | 60 | 0.12 | 1 | F、H | 195 | 120 | 135 | 72 | 165 | 8.5*20 |
| ACR-0080-087U-0.4SC | 图B | 30 | 80 | 0.087 | 1 | F、H | 195 | 120 | 135 | 72 | 165 | 8.5*20 |
| ACR-0090-078U-0.4SC | 图B | 37 | 90 | 0.078 | 1 | F、H | 195 | 120 | 135 | 72 | 165 | 8.5*20 |
| ACR-0120-058U-0.4SA | 图C | 45 | 120 | 0.058 | 1 | F、H | 230 | 150 | 170 | 83 | 220 | 11*18 |
| ACR-0150-047U-0.4SA | 图C | 55 | 150 | 0.0477 | 1 | F、H | 230 | 150 | 170 | 88 | 220 | 11*18 |
| ACR-0200-035U-0.4SA | 图C | 75 | 200 | 0.035 | 1 | F、H | 230 | 150 | 180 | 98 | 220 | 11*18 |
| ACR-0250-028U-0.4SA | 图C | 110 | 250 | 0.028 | 1 | F、H | 250 | 182 | 175 | 98 | 230 | 11*18 |
| ACR-0290-024U-0.4SA | 图C | 132 | 290 | 0.024 | 1 | F、H | 290 | 214 | 200 | 107 | 250 | 11*18 |
| ACR-0330-021U-0.4SA | 图C | 160 | 330 | 0.021 | 1 | F、H | 290 | 214 | 200 | 107 | 250 | 11*18 |
| ACR-0390-018U-0.4SA | 图C | 185 | 390 | 0.018 | 1 | F、H | 290 | 214 | 200 | 107 | 250 | 11*18 |
| ACR-0490-014U-0.4SA | 图C | 220 | 490 | 0.014 | 1 | F、H | 320 | 243 | 230 | 125 | 320 | 12*20 |
| ACR-0600-012U-0.4SA | 图C | 280 | 600 | 0.012 | 1 | F、H | 320 | 243 | 250 | 140 | 320 | 12*20 |
| ACR-0660-011U-0.4SA | 图C | 300 | 660 | 0.011 | 1 | F、H | 320 | 243 | 250 | 140 | 320 | 12**20 |
| ACR-0800-08U7-0.4SA | 图D | 380 | 800 | 0.0087 | 1 | F、H | 365 | 260 | 280 | 135 | 380 | 15*25 |
| ACR-1000-07U0-0.4SA | 图D | 450 | 1000 | 0.007 | 1 | F、H | 365 | 260 | 280 | 135 | 380 | 15*25 |
| ACR-1200-05U8-0.4SA | 图D | 550 | 1200 | 0.0058 | 1 | F、H | 395 | 260 | 325 | 150 | 390 | 15*25 |
| ACR-1600-04U3-0.4SA | 图D | 630 | 1600 | 0.0043 | 1 | F、H | 395 | 260 | 325 | 150 | 435 | 15*25 |
■ 690V输入电抗器
| 电抗器型号 | 图号 |
适配功率 (KW) |
额定电流 (A) |
电感量 (mH) |
压降 (%) |
绝缘 等级 |
尺寸 L±5 |
D | W | W1 | H | A*B |
| ACR-0005-2M80-0.7SC | 图A | 3.7 | 5 | 2.8 | 1 | F、H | 155 | 95 | 130 | 61 | 150 | 6*15 |
| ACR-0007-2M00-0.7SC | 图A | 5.5 | 7 | 2 | 11 | F、H | 155 | 95 | 130 | 61 | 150 | 6*15 |
| ACR-0010-1M40-0.7SC | 图A | 7.5 | 10 | 1.4 | 1 | F、H | 155 | 80 | 200 | 95 | 63 | 6*15 |
| ACR-0015-0M93-0.7SC | 图A | 11 | 15 | 0.93 | 1 | F、H | 155 | 80 | 200 | 95 | 63 | 6*15 |
| ACR-0020-0M70-0.7SC | 图B | 15/18.5 | 20 | 0.7 | 1 | F、H | 155 | 80 | 200 | 95 | 63 | 6*15 |
| ACR-0030-0M47-0.7SC | 图B | 22 | 30 | 0.47 | 1 | F、H | 195 | 130 | 165 | 120 | 72 | 8.5*20 |
| ACR-0040-0M35-0.7SC | 图B | 30 | 40 | 0.35 | 1 | F、H | 195 | 130 | 165 | 120 | 72 | 8.5*20 |
| ACR-0050-0M28-0.7SA | 图B | 37/45 | 50 | 0.28 | 1 | F、H | 195 | 150 | 165 | 120 | 92 | 8.5*20 |
| ACR-0060-0M23-0.7SA | 图B | 55 | 60 | 0.23 | 1 | F、H | 195 | 150 | 165 | 120 | 92 | 8.5*20 |
| ACR-0080-0M18-0.7SA | 图C | 75 | 80 | 0.18 | 1 | F、H | 195 | 170 | 165 | 120 | 112 | 8.5*20 |
| ACR-0120-0M12-0.7SA | 图C | 110 | 120 | 0.12 | 1 | F、H | 250 | 190 | 230 | 182 | 103 | 11*18 |
| ACR-0150-094U-0.7SA | 图C | 132 | 150 | 0.094 | 1 | F、H | 250 | 200 | 230 | 182 | 113 | 11*18 |
| ACR-0200-070U-0.7SA | 图C | 160/185 | 200 | 0.07 | 1 | F、H | 290 | 220 | 250 | 214 | 117 | 11*18 |
| ACR-0250-055U-0.7SA | 图C | 220 | 250 | 0.055 | 1 | F、H | 290 | 220 | 250 | 214 | 117 | 11*18 |
| ACR-0290-048U-0.7SA | 图C | 240 | 290 | 0.048 | 1 | F、H | 320 | 250 | 320 | 243 | 135 | 12**20 |
| ACR-0330-042U-0.7SA | 图C | 280/300 | 330 | 0.042 | 1 | F、H | 320 | 250 | 320 | 243 | 135 | 12*20 |
| ACR-0390-036U-0.7SA | 图C | 380 | 390 | 0.036 | 1 | F、H | 320 | 250 | 320 | 243 | 135 | 12*20 |
| ACR-0490-028U-0.7SA | 图C | 450 | 490 | 0.028 | 1 | F、H | 320 | 270 | 320 | 243 | 160 | 12*20 |
| ACR-0600-023U-0.7SA | 图D | 550 | 600 | 0.023 | 1 | F、H | 365 | 285 | 340 | 260 | 165 | 15*25 |
| ACR-0660-021U-0.7SA | 图D | 630 | 660 | 0.021 | 1 | F、H | 365 | 285 | 340 | 260 | 165 | 15*25 |
*备注:其他规格尺寸,可根据客户要求制造
■ 成品识别码
■ 产品尺寸图
|
电抗器型号 |
图号 |
适配功率 |
额定电流 |
电感量 |
压降 |
绝缘等级 |
W |
H |
D |
W0±1.0 |
D0±2.0 |
A×B |
重量 |
|
ACR-1.5K-0.4SC |
图 A |
1.5 |
5 |
2.8 |
2% |
F、H |
115 |
135 |
95 |
90 |
70 |
6*12 |
3.3 |
|
ACR-2.2K-0.4SC |
图 A |
2.2 |
7 |
2 |
2% |
F、H |
115 |
135 |
95 |
90 |
70 |
6*12 |
3.3 |
|
ACR-3.7K-0.4SC |
图 A |
3.7 |
10 |
1.4 |
2% |
F、H |
115 |
135 |
95 |
90 |
70 |
6*12 |
3.3 |
|
ACR-5.5K-0.4SC |
图 A |
5.5 |
15 |
0.94 |
2% |
F、H |
115 |
135 |
95 |
90 |
70 |
6*12 |
3.5 |
|
ACR-7.5K-0.4SC |
图 A |
7.5 |
20 |
0.7 |
2% |
F、H |
115 |
135 |
95 |
90 |
70 |
6*12 |
3.7 |
|
ACR-11K-0.4SAL |
图 B |
11 |
22 |
0.47 |
2% |
F、H |
170 |
150 |
130 |
120(95) |
63 |
6*15 |
4.3 |
|
ACR-15K-0.4SAL |
图 B |
15 |
30 |
0.36 |
2% |
F、H |
170 |
150 |
140 |
120(95) |
76 |
6*15 |
4.3 |
|
ACR-18.5K-0.4SAL |
图 B |
18.5 |
50/37 |
0.28 |
2% |
F、H |
170 |
150 |
140 |
120(95) |
76 |
6*15 |
4.5 |
|
ACR-22K-0.4SAL |
图 B |
22 |
60/44 |
0.24 |
2% |
F、H |
195 |
160 |
140 |
120(95) |
72 |
6*15 |
4.5 |
|
ACR-30K-0.4SAL |
图 B |
30 |
80/60 |
0.18 |
2% |
F、H |
195 |
150 |
160 |
120(95) |
92 |
6*15 |
5.8 |
|
ACR-37K-0.4SAL |
图 B |
37 |
75 |
0.156 |
2% |
F、H |
205 |
170 |
160 |
150(120) |
92 |
11*18 |
7.2 |
|
ACR-45K-0.4SAL |
图 B |
45 |
90 |
0.117 |
2% |
F、H |
210 |
170 |
170 |
150 |
88 |
11*18 |
9.7 |
|
ACR-55K-0.4SAL |
图 B |
55 |
150/110 |
0.094 |
2% |
F、H |
210 |
170 |
170 |
150 |
88 |
11*18 |
10 |
|
ACR-75K-0.4SAL |
图 B |
75 |
150 |
0.07 |
2% |
F、H |
250 |
170 |
190 |
182(150) |
98 |
11*18 |
13.8 |
|
ACR-110K-0.4SA |
图 C |
110 |
220 |
0.056 |
2% |
F、H |
250 |
230 |
190 |
214(182) |
98 |
11*18 |
19.7 |
|
ACR-132K-0.4SA |
图 C |
132 |
290/265 |
0.048 |
2% |
F、H |
250 |
230 |
195 |
214(182) |
103 |
11*18 |
21.7 |
|
ACR-160K-0.4SA |
图 C |
160 |
330 |
0.042 |
2% |
F、H |
250 |
240 |
195 |
214(182) |
103 |
11*18 |
22 |
|
ACR-185K-0.4SA |
图 C |
185 |
390 |
0.036 |
2% |
F、H |
250 |
255 |
200 |
214(182) |
108 |
11*18 |
25.8 |
|
ACR-200K-0.4SA |
图 C |
200 |
400 |
0.032 |
2% |
F、H |
290 |
290 |
230 |
243 |
125 |
11*18 |
32 |
|
ACR-220K-0.4SA |
图 C |
220 |
490/445 |
0.028 |
2% |
F、H |
290 |
300 |
230 |
243 |
125 |
12*20 |
34.2 |
|
ACR-250K-0.4SA |
图 C |
250 |
550/500 |
0.027 |
2% |
F、H |
290 |
300 |
250 |
243 |
140 |
12*20 |
38.2 |
|
ACR-280K-0.4SA |
图 C |
280 |
600/560 |
0.024 |
2% |
F、H |
290 |
300 |
250 |
243 |
140 |
12*20 |
40 |
|
ACR-300K-0.4SA |
图 C |
300 |
610 |
0.022 |
2% |
F、H |
290 |
300 |
250 |
243 |
140 |
12*20 |
41.6 |
|
ACR-315K-0.4SA |
图 C |
315 |
680/630 |
0.02 |
2% |
F、H |
290 |
300 |
250 |
243 |
140 |
12*20 |
41.6 |
|
ACR-355K-0.4SA |
图 C |
355 |
710 |
0.018 |
2% |
F、H |
290 |
325 |
250 |
243 |
140 |
12*20 |
44.5 |
|
ACR-380K-0.4SA |
图 C |
380 |
760 |
0.0175 |
2% |
F、H |
320 |
325 |
290 |
260 |
135 |
15*25 |
50 |
|
ACR-450K-0.4SA |
图 C |
450 |
1000/910 |
0.014 |
2% |
F、H |
320 |
370 |
290 |
260 |
135 |
15*25 |
56 |
|
ACR-550K-0.4SA |
图 C |
550 |
1115 |
0.0117 |
2% |
F、H |
320 |
370 |
320 |
260 |
160 |
15*25 |
71.8 |
|
ACR-630K-0.4SA |
图 C |
630 |
1260 |
0.0086 |
2% |
F、H |
320 |
415 |
320 |
260 |
160 |
15*25 |
85 |
■ 产品尺寸图
|
电抗器型号 |
图号 |
适配功率 |
额定电流 |
电感量 |
压降 |
绝缘等级 |
W |
H |
D |
W0±1.0 |
D0±2.0 |
A×B |
重量 |
|
ACR-0005-2M80-0.4SC-A1 |
图A |
1.5 |
5 |
2.8 |
1% |
F、H |
95 |
130 |
110 |
65 |
90 |
6*12 |
2.8 |
|
ACR-0007-2M00-0.4SC-A1 |
图A |
2.2 |
7 |
2 |
1% |
F、H |
95 |
130 |
110 |
65 |
90 |
6*12 |
2.8 |
|
ACR-0010-1M40-0.4SC-A1 |
图A |
3.7 |
10 |
1.4 |
1% |
F、H |
95 |
130 |
110 |
65 |
90 |
6*12 |
3.0 |
|
ACR-0015-0M94-0.4SC-A1 |
图A |
5.5 |
15 |
0.94 |
1% |
F、H |
95 |
130 |
110 |
65 |
90 |
6*12 |
3.0 |
|
ACR-0020-0M70-0.4SC-A1 |
图A |
7.5 |
20 |
0.7 |
1% |
F、H |
100 |
165 |
155 |
76 |
55/95 |
6*15 |
5.0 |
|
ACR-0030-0M47-0.4SC-A1 |
图A |
11 |
30 |
0.47 |
1% |
F、H |
100 |
165 |
155 |
76 |
55/95 |
6*15 |
5.0 |
|
ACR-0040-0M36-0.4SC-A1 |
图A |
15 |
40 |
0.36 |
1% |
F、H |
100 |
165 |
155 |
76 |
55/95 |
6*15 |
5.4 |
|
ACR-0050-0M28-0.4SC-A1 |
图A |
18.5 |
50 |
0.28 |
1% |
F、H |
100 |
165 |
155 |
76 |
55/95 |
6*15 |
5.7 |
|
ACR-0060-0M24-0.4SC-A1 |
图B |
22 |
60 |
0.24 |
1% |
F、H |
140 |
165 |
195 |
72 |
120 |
8.5*20 |
6.3 |
|
ACR-0080-0M18-0.4SC-A1 |
图B |
30 |
80 |
0.18 |
1% |
F、H |
160 |
165 |
195 |
92 |
120 |
8.5*20 |
9.0 |
|
ACR-0090-0M16-0.4SC-A1 |
图B |
37 |
90 |
0.16 |
1% |
F、H |
170 |
165 |
195 |
100 |
120 |
8.5*20 |
10.2 |
|
ACR-0120-0M12-0.4SC-A1 |
图B |
45 |
120 |
0.12 |
1% |
F、H |
185 |
165 |
195 |
105 |
120 |
8.5*20 |
11.2 |
|
ACR-0150-094U-0.4SC-A1 |
图B |
55 |
150 |
0.094 |
1% |
F、H |
185 |
165 |
195 |
105 |
120 |
8.5*20 |
12.2 |
|
ACR-0200-070U-0.4SC-A1 |
图B |
75 |
200 |
0.07 |
1% |
F、H |
190 |
165 |
195 |
110 |
120 |
8.5*20 |
14.2 |
|
ACR-0250-056U-0.4SC-A1 |
图B |
110 |
250 |
0.056 |
1% |
F、H |
195 |
185 |
235 |
122 |
140 |
10*22 |
18.7 |
|
ACR-0290-048U-0.4SC-A1 |
图C |
132 |
290 |
0.048 |
2% |
F、H |
185 |
250 |
290 |
102 |
150/214 |
11*18 |
102 |
|
ACR-0330-042U-0.4SC-A1 |
图C |
160 |
330 |
0.042 |
2% |
F、H |
185 |
250 |
290 |
102 |
150/214 |
11*18 |
102 |
|
ACR-0390-036U-0.4SC-A1 |
图C |
185 |
390 |
0.036 |
2% |
F、H |
205 |
250 |
290 |
122 |
150/214 |
11*18 |
122 |
|
ACR-0490-028U-0.4SC-A1 |
图D |
220 |
490 |
0.028 |
2% |
F、H |
224 |
265 |
320 |
134 |
243 |
11*18 |
134 |
|
ACR-0600-024U-0.4SC-A1 |
图E |
280 |
600 |
0.024 |
2% |
F、H |
228 |
325 |
355 |
134 |
260 |
15*25 |
134 |
|
ACR-0660-022U-0.4SC-A1 |
图E |
300 |
660 |
0.022 |
2% |
F、H |
228 |
325 |
355 |
134 |
260 |
15*25 |
134 |
|
ACR-0800-17U5-0.4SC-A1 |
图F |
380 |
800 |
0.0175 |
2% |
F、H |
240 |
395 |
355 |
119 |
350 |
15*25 |
119 |
|
ACR-1000-014U-0.4SC-A1 |
图F |
450 |
1000 |
0.014 |
2% |
F、H |
245 |
395 |
355 |
134 |
350 |
15*25 |
134 |
|
ACR-1200-11U7-0.4SC-A1 |
图F |
550 |
1200 |
0.0117 |
2% |
F、H |
260 |
395 |
355 |
134 |
350 |
15*25 |
134 |
|
ACR-1600-08U6-0.4SC-A1 |
图G |
630 |
1600 |
0.0086 |
2% |
F、H |
300 |
420 |
475 |
149 |
400 |
15*25 |
149 |
*备注:其他规格尺寸,可根据客户要求制造
电话:021-37701209
邮箱:sales@howcore.com
网址:http://www.howcore.com
地址:上海松江沈砖公路3129号13号楼